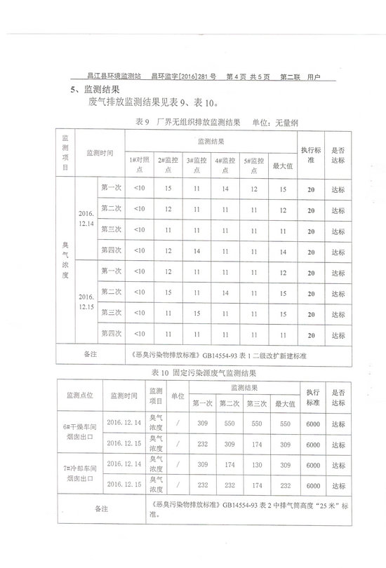
海南天然橡胶产业集团金竹橡胶加工分公司东红橡胶厂环境监测报告 时间:2017-01-09 来源:永利yl23411 Date:2017-01-09 Source:永利yl23411 上一篇:永利yl23411视频会议系统建设项目中标公示 下一篇:财富广场高档装修写字楼招租 Previous:永利yl23411视频会议系统建设项目中标公示 Next:财富广场高档装修写字楼招租